Bitte geben Sie an in welches Land Sie Ihre bestellte Ware verschicken lassen wollen. Sie bekommen dann direkt den korrekten Endpreis inkl. der Mwst. des jeweiligen Landes angezeigt.
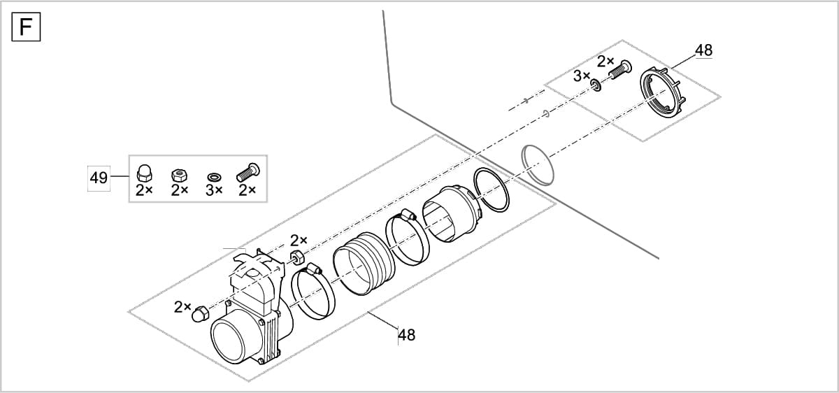
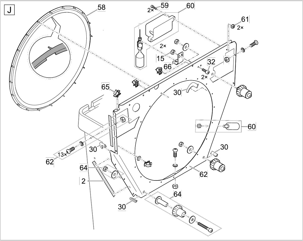
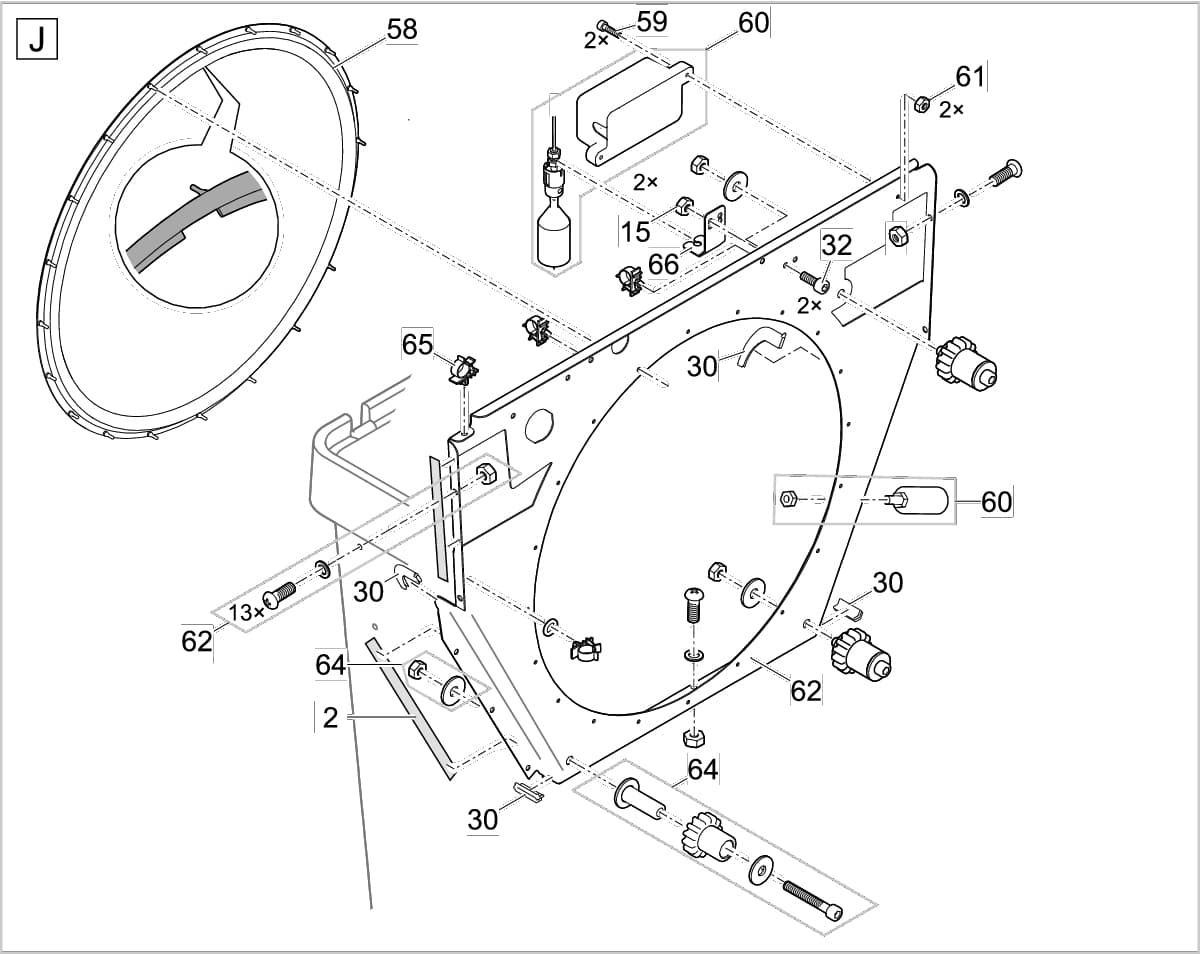
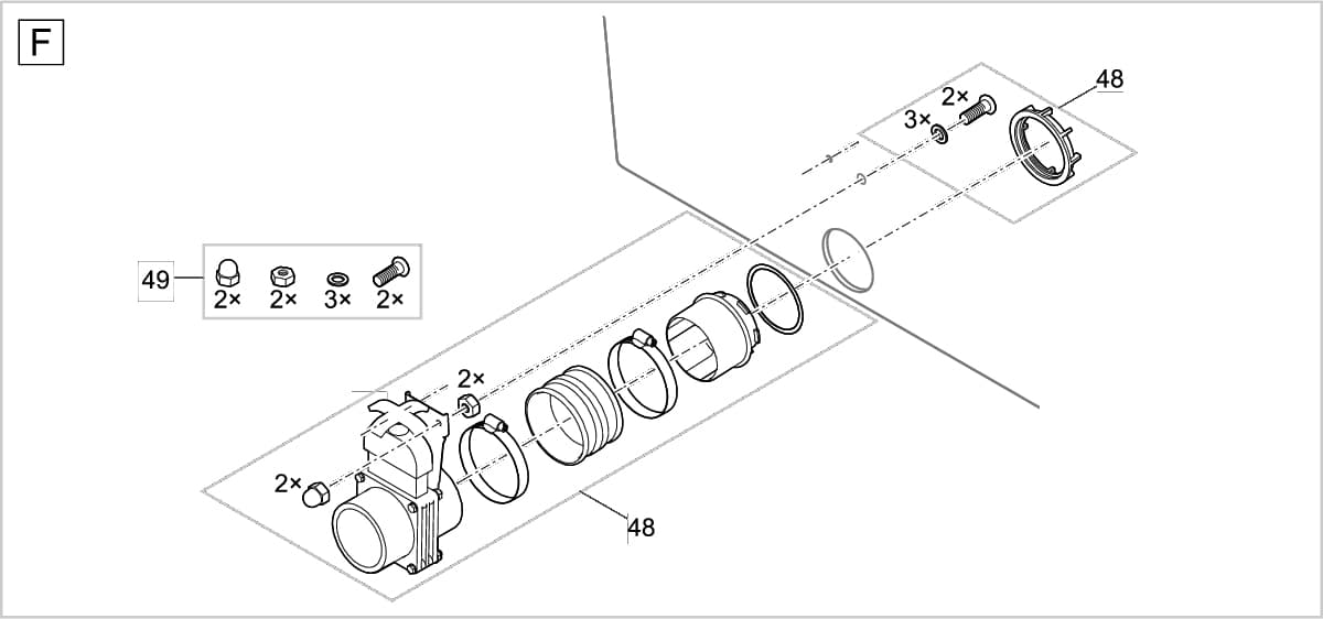
Auf dieser Ersatzteil-Übersichtsseiten listen wir Ihnen alle Ersatzteile, die für Ersatzteile für Oase ProfiClear Premium Compact-L gepumpt EGC mit der Artikelnummer: 49979 erhältlich sind, auf. Die Explosionszeichnungen zeigt Ihnen den Einbauort jedes einzelnen Ersatzteils. Vergleichen Sie dafür die Positionsnummer mit der Nummer im Bild des Ersatzteils. Die verwendete Stückzahl des Ersatzteils für Ersatzteile für Oase ProfiClear Premium Compact-L gepumpt EGC, ist am Warenkorbbutton bereits für Sie vordefiniert.













Vergleichen Sie die Positionsangabe im Bild mit der Nummer in der Explosionszeichnung Explosionszeichnung














